Адресное устройство дистанционного пуска ELEKOR-КДП
В наличии Код: P-0834410Адресное устройство дистанционного пуска ELEKOR-КДП
ELEKOR-КДП предназначен для управления устройствами пожарной автоматики, пожаротушения, дымоудаления, огнезащиты и т.п., при работе в составе охранно-пожарной системы сигнализации "GAMMA-512".
ELEKOR-КДП формирует тревожный сигнал после выполнения 2-х действий:
- обеспечения доступа к приводному элементу посредством разрыва пломбировочной проволоки и смещения прозрачной крышки, которая в дежурном режиме закрывает доступ к приводному элементу и предотвращает его случайное нажатие;
- нажатия на приводной элемент - кнопку в центре корпуса. Кнопка утапливается и фиксируется в нажатом состоянии, а контакты КДП изменяют состояние шлейфа сигнализации.
| Характеристики: |
|
| Особенности: |
|
Схемы
Скачать → Альбом типовых схем подключения устройств к "GAMMA-512" в формате PDF.
Габаритные и установочные размеры ELEKOR-КДП

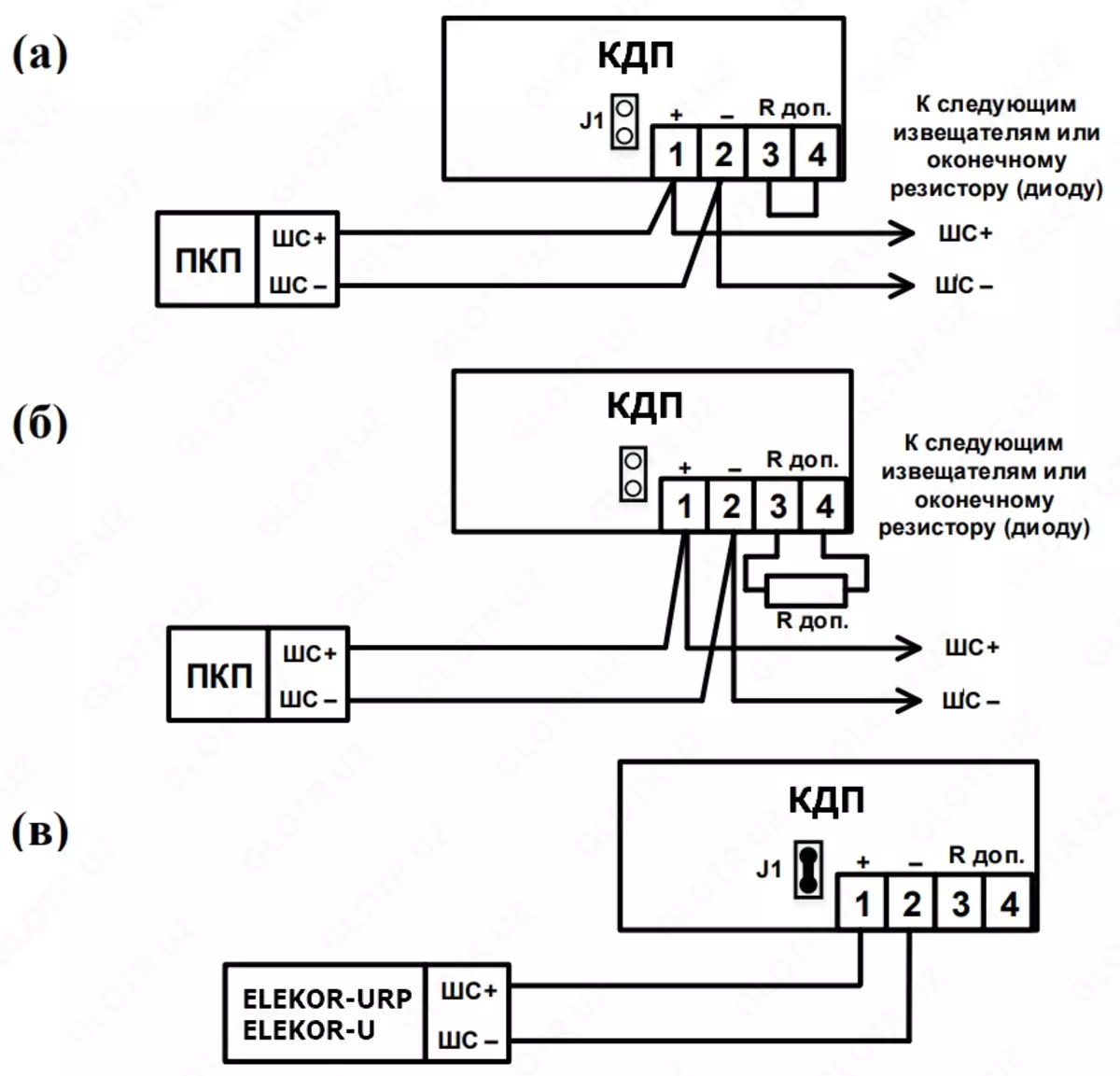
Включение ELEKOR-КДП:
(а) - в режиме формирования сигнала Пуск;
(б) - в режиме формирования сигнала Внимание;
(в) - в режиме нормально разомкнутой кнопки ДУ

К данному товару отзывов пока нет.
Информация о данном продавце была проверена через систему Soliq.uz и подтверждена как достоверная
Подробнее