Коромысло линейное двухцепное 2КЛ-12/16-1
Под заказ Код: P-1114847Коромысло линейное двухцепное 2КЛ-12/16-1
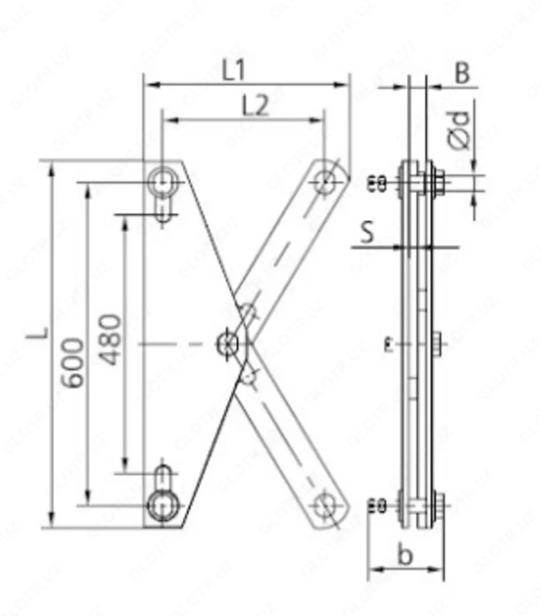
Коромысло типа 2КЛ-12/16-1 предназначено для равномерного распределения нагрузки при подвесе элементов на линиях электропередачи. Конструкция изделия обеспечивает надежное соединение, стабильность и долговечность эксплуатации.

Изготовлено из прочной стали, рассчитано на высокую эксплуатационную нагрузку и обеспечивает надежность монтажа.
Размеры и характеристики:
-
Длина L: 660 мм, L1: 287 мм, L2: 225 мм
-
Ширина B: 24 мм, S: 12 мм, b: 78 мм
-
Диаметр d: 22 мм
-
Разрушающая нагрузка: 60 кН
-
Масса: 14,5 кг
Преимущества:
-
Две цепи для надежного распределения нагрузки
-
Высокая прочность и долговечность
-
Простота монтажа и эксплуатации
-
Соответствие стандартам качества
К данному товару отзывов пока нет.
Информация о данном продавце была проверена через систему Soliq.uz и подтверждена как достоверная
Подробнее