Шкаф управления вентилятором и калорифером ШУП-3 исп.2К
В наличии Код: P-0834403Шкаф управления вентилятором и калорифером ШУП-3 исп.2К
Шкаф управления вентилятором и калорифером адресный пожарный ШУП-3 исп.2К предназначен для управления асинхронным электродвигателем мощностью до 3 кВт и одноступенчатым калорифером мощностью до 30 кВт в трёхфазных сетях системы TN-S или TN-C-S с номинальным напряжением 380В и частотой 50Гц. Контроль входного напряжения, чередования фаз, линий связи. Режимы: автоматический, ручной пуск, отключен.
| Характеристики: |
|
| Особенности: |
|
| Различия: |
![]() |
Схемы
Скачать → Альбом типовых схем подключения устройств к "GAMMA-512" в формате PDF.
Габаритные и установочные размеры ШУП-3 исп.2К

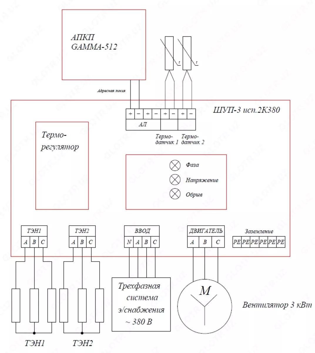
Cхема подключения адресного шкафа управления ШУП-3 исп.2К380 с двухступенчатым калорифером

Примечание:
Шкаф управления приводом адресный ШУП-3 исп.2К380 управляет асинхронным электродвигателем мощностью до 3 кВт и двухступенчатым калорифером общей мощностью до 30 кВт, мощность каждой ступени 15 кВт. Для выполнения требований п.5.11 СП6.13130.2021, в конструкции ШУП применяются автоматический выключатели серии ВА-103M без теплового расцепителя с характеристикой "МА", характеристика электромагнитного расцепителя С Включение и выключение калорифера производится одновременно с включением/выключением электродвигателя.
При использовании двухступенчатого калорифера рекомендуется для второй (вспомогательной) ступени задавать более широкий интервал регулирования температуры, чем для первой (основной) ступени. Например, для поддержания температуры 20°С±3°С необходимо для первой ступени установить значения максимальной и минимальной температуры 23°С и 17°С, а для второй ступени соответственно 26°С и 14°С. Датчик температуры (2 шт.) входит в комплект поставки ШУП.
К данному товару отзывов пока нет.
Информация о данном продавце была проверена через систему Soliq.uz и подтверждена как достоверная
Подробнее
