Ушко для линий электропередач
Под заказ Код: P-1114447Ушко для линий электропередач
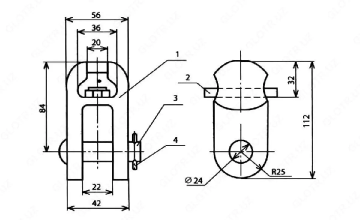
Ушко — это надежный крепёжный элемент, используемый в линиях электропередач и различных конструкциях для фиксации и соединения. Благодаря высокой прочности и качественным материалам, оно выдерживает значительные нагрузки и гарантирует долговечность эксплуатации даже в сложных условиях.

Технические характеристики:
-
Допускаемая нагрузка: 20 кН (2 тс)
-
Разрушающая нагрузка: 60 кН (6 тс)
-
Масса: 1 кг
Наши преимущества:
-
Прочные и износостойкие материалы
-
Устойчивость к нагрузкам и внешним воздействиям
-
Простота монтажа и универсальность применения
-
Соответствие стандартам качества и надежности
Ушко — это практичное решение для обеспечения надежности соединений и безопасной эксплуатации линий электропередач.
К данному товару отзывов пока нет.
Информация о данном продавце была проверена через систему Soliq.uz и подтверждена как достоверная
Подробнее