Замок W-образный для линий электропередач
Под заказ Код: P-1114448Замок W-образный для линий электропередач
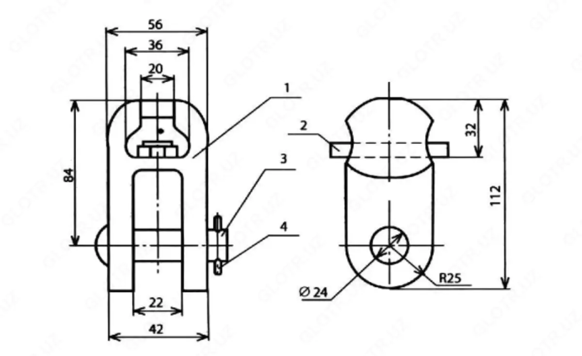
Замок W-образный — это прочный и надежный элемент, применяемый для крепления и фиксации проводов на линиях электропередач. Конструкция замка обеспечивает надежное соединение и высокую устойчивость к нагрузкам, что делает его идеальным решением для долгосрочной эксплуатации в различных условиях.

Технические характеристики:
-
Допускаемая нагрузка: 20 кН (2 тс)
-
Разрушающая нагрузка: 60 кН (6 тс)
-
Масса: 1 кг
Наши преимущества:
-
Прочные и долговечные материалы
-
Устойчивость к коррозии и перепадам температуры
-
Простота установки и надежная фиксация
-
Соответствие стандартам качества и безопасности
Замок W-образный — надежный выбор для обеспечения стабильной работы линий электропередач и безопасного крепления проводов.
К данному товару отзывов пока нет.
Информация о данном продавце была проверена через систему Soliq.uz и подтверждена как достоверная
Подробнее